-
Free shipping
On all orders over $199
-
Special offers
Regular sales and discounts
-
Easy returns
Hassle free returns policy
-
Chat facility
Talk to a real person
EAGLE™ 3A 14WMP Tri-Clamp Short Weld Ferrule------Short weld sanitary ferrules join tri-clamp to butt weld processing lines
- Short Weld Sanitary Tri-Clamp Ferrules
- Available in 304 & 316L Stainless Steel
- 3-A Sanitary Standards for Sanitary Fittings, Number 63-03
- Surface Finish: 32Ra
Short weld clamp ferrules are fitted into process lines with both tri-clamp connection and butt welding. The butt welding end is shorter than our long weld version. Stainless steel design is offered in both 304 and 316L alloy options. Sizes for this product range from 1/2 inch all the way up to 12 inches. For joining clamp fittings to welded ends. Orbital weld is recommended to ensure proper connectivity, tri-clamp connections including gaskets and clamps are required to finish installation of this fitting.
3-A Sanitary Standards Inc. certifies products meet FDA and USDA regulations to prevent contamination in food, beverage, dairy, and pharmaceutical manufacturing environments.
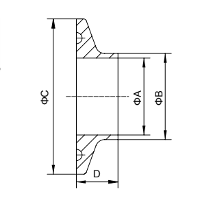
Dimension

|
Size |
A |
B |
C |
D |
||||
|
|
inch |
mm |
inch |
mm |
inch |
mm |
inch |
mm |
|
0.5" |
0.370 |
9.4 |
0.500 |
12.7 |
0.992 |
25.2 |
0.500 |
12.7 |
|
0.75" |
0.620 |
15.75 |
0.750 |
19.05 |
0.992 |
25.2 |
0.500 |
12.7 |
|
1" |
0.870 |
22.1 |
1.000 |
25.4 |
1.988 |
50.5 |
0.500 |
12.7 |
|
1.5" |
1.370 |
34.8 |
1.500 |
38.1 |
1.988 |
50.5 |
0.500 |
12.7 |
|
2" |
1.870 |
47.5 |
2.000 |
50.8 |
2.520 |
64.0 |
0.500 |
12.7 |
|
2.5" |
2.370 |
60.2 |
2.500 |
63.5 |
3.051 |
77.5 |
0.500 |
12.7 |
|
3" |
2.870 |
72.9 |
3.000 |
76.2 |
3.583 |
91.0 |
0.500 |
12.7 |
|
4" |
3.834 |
97.4 |
4.000 |
101.6 |
4.685 |
119.0 |
0.625 |
15.8 |
|
6" |
5.782 |
146.9 |
6.000 |
152.4 |
6.567 |
166.8 |
0.875 |
22.2 |
|
8" |
7.760 |
197.1 |
8.000 |
203.2 |
8.571 |
217.7 |
0.875 |
22.2 |
|
10" |
9.782 |
248.5 |
10.000 |
254.0 |
10.571 |
268.5 |
0.875 |
22.2 |
|
12" |
11.760 |
298.7 |
12.000 |
304.8 |
12.571 |
319.3 |
0.875 |
22.2 |
About Egle
Eagle Ultrapure Fittings- ASME BPE
ASME BPE range includes a comprehensive selection of tubes and fittings of varying dimensions and executions all compliant with ASME BPE standards. Made for safe and easy installation, its high quality and good weldability meet the standards of biopharmaceutical industries.


